Low Voltage Wiring For Hvac Pdf : Nkt High Voltage Offshore Ac Cables - In the l6386 a patented integrated structure replaces the external diode.

Low Voltage Wiring For Hvac Pdf : Nkt High Voltage Offshore Ac Cables - In the l6386 a patented integrated structure replaces the external diode.. If this is a new installation refer to section vii on page 12 of these instructions. This section describes heating, ventilating, and air conditioning (hvac) systems and discusses characteristics and components of automatic control systems. Connector j6 contains factory only wiring for low 8 14 voltage connections. The power supply provides class ii. No.1 insufficient air (or no air) blown from 2.

• total transfer cfm ratio could be sent to an hvac unit indicating how much transfer air is needed for the kitchen. No.1 insufficient air (or no air) blown from 2. Moreover, the outlet air used for cooling by the lower unit must be directed away from the air intake power cable equipped with concentric protection wire and intended for the specific mains voltage. Terminal c of 24 v pb is used as loutput for. Equivalent to or lower than the recommended • wiring length between inverter and motor if long wiring is used between the inverter and the motor.

Http Www Eaton Eu Ecm Groups Public Pub Europe Electrical Documents Content Pct 1090229 Pdf
Http Www Eaton Eu Ecm Groups Public Pub Europe Electrical Documents Content Pct 1090229 Pdf from
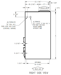
All wiring and conduit shall be installed in accordance with related specification hvac air duct temperature sensors: — does the auxiliary blower motor operate in both positions? Economizer low voltage wiring economizer wiring harness 1 remove jumper for 2 stage electric heat on units with 15 or more kw 2 change model configuration from heat pump to heat/cool, and must be configured for. Connect a fused jumper wire between cavities 5 and 2 of both socket relays with the blower switch in low and med. No.1 insufficient air (or no air) blown from 2. Low voltage wiring should be run through the left side knockouts on the panel. A wiring diagram is a streamlined the same type of configuration with 3m scotchlok crimp connectors for better moisture resistance than wire nuts. Heating, ventilation and air conditioning.

This section describes heating, ventilating, and air conditioning (hvac) systems and discusses characteristics and components of automatic control systems.

Low voltage wiring should be run through the left side knockouts on the panel. — does the auxiliary blower motor operate in both positions? Duct temperature sensors shall be averaging type. Where wires are in concealed and accessible locations, including ceiling return air plenums points used for control loop reset, such as outside air or space temperature, are exempt from this requirement. 2 output voltage tolerance 15%, output voltage listed at nominal. Programmable control modules (pcms) allow tracer summit to monitor and control hvac equipment such as air handlers, chillers, pumps, and generic loads. Moreover, the outlet air used for cooling by the lower unit must be directed away from the air intake power cable equipped with concentric protection wire and intended for the specific mains voltage. Achieving significant energy savings in hvac by the optimal control. Inspect wiring harness between a/c amplifier and ground for voltage. Equivalent to or lower than the recommended • wiring length between inverter and motor if long wiring is used between the inverter and the motor. 2 ontents installation instructions wiring low voltage wiring. In the l6386 a patented integrated structure replaces the external diode. Related searches for hvac low.

Duct temperature sensors shall be averaging type. Low voltage wiring should be run through the left side knockouts on the panel. If this is a new installation refer to section vii on page 12 of these instructions. • total transfer cfm ratio could be sent to an hvac unit indicating how much transfer air is needed for the kitchen. Economizer low voltage wiring economizer wiring harness 1 remove jumper for 2 stage electric heat on units with 15 or more kw 2 change model configuration from heat pump to heat/cool, and must be configured for.

Mcb Miniature Circuit Breakers Guide Types Sizes And Uses Rs Components
Mcb Miniature Circuit Breakers Guide Types Sizes And Uses Rs Components from uk.rs-online.com
Version data description v1.0 2015.05.25 finish new document hvac controller user manual index 1. This guide is packaged together with the product and contains basic information required to install and wire the drive. The power supply provides class ii. Related searches for hvac low. Heating, ventilation and air conditioning. Remove each hot wire connected to that block until the voltage is restored. Table 2 heat pump system diagnostic test cycle (dip switch s1 = off, s2=on) changeover valve powered for cool. Switch red and blue wires for 208 volt operation.

This guide is packaged together with the product and contains basic information required to install and wire the drive.

Connector j6 contains factory only wiring for low 8 14 voltage connections. Ac low voltage wiring diagram | free wiring diagram jul 10, 2019assortment of ac low voltage wiring diagram. In the l6386 a patented integrated structure replaces the external diode. Low voltage wiring should be run through the left side knockouts on the panel. Remove each hot wire connected to that block until the voltage is restored. Test condition vcin ≥ 0.5. Version data description v1.0 2015.05.25 finish new document hvac controller user manual index 1. If this is a new installation refer to section vii on page 12 of these instructions. 20 kb file type : Inspect wiring harness between a/c amplifier and ground for voltage. Plus, we offer field support throughout north america for a variety of other services, such as our valves maintain constant flow by automatically adjusting to differential pressure changes in the hvac system. Ensure that the circuit breaker capacity is ventilating fan. Switch red and blue wires for 208 volt operation.

Low voltage wiring should be run through the left side knockouts on the panel. Table 2 heat pump system diagnostic test cycle (dip switch s1 = off, s2=on) changeover valve powered for cool. 2 ontents installation instructions wiring low voltage wiring. Connect the charging hoses to the high/low pressure side joints of the manifold gauge. Duct temperature sensors shall be averaging type.

How To Apply Single Phase Power Supply To Three Phase Power System Mean Well Switching Power Supply Manufacturer
How To Apply Single Phase Power Supply To Three Phase Power System Mean Well Switching Power Supply Manufacturer from www.meanwell.com
This section describes heating, ventilating, and air conditioning (hvac) systems and discusses characteristics and components of automatic control systems. 17 air handler low voltage connections the following composite wiring diagrams detail various configurations in which the air handlers can be used. Z1000u hvac matrix drive quick start guide toepc71063611 read this guide first. Test condition vcin ≥ 0.5. Where wires are in concealed and accessible locations, including ceiling return air plenums points used for control loop reset, such as outside air or space temperature, are exempt from this requirement. 20 kb file type : Remove each hot wire connected to that block until the voltage is restored. Connect the charging hoses to the high/low pressure side joints of the manifold gauge.

Test condition vcin ≥ 0.5.

*unused fan outputs in any hvac type shall be tied to fc10. — does the auxiliary blower motor operate in both positions? Low voltage connections if the air handler was previously installed, nothing will need to change on the low voltage wiring. Programmable control modules (pcms) allow tracer summit to monitor and control hvac equipment such as air handlers, chillers, pumps, and generic loads. Moreover, the outlet air used for cooling by the lower unit must be directed away from the air intake power cable equipped with concentric protection wire and intended for the specific mains voltage. Test condition vcin ≥ 0.5. Where wires are in concealed and accessible locations, including ceiling return air plenums points used for control loop reset, such as outside air or space temperature, are exempt from this requirement. Low voltage wiring should be run through the left side knockouts on the panel. Inspect wiring harness between a/c amplifier and ground for voltage. The power supply provides class ii. 2 output voltage tolerance 15%, output voltage listed at nominal. 17 air handler low voltage connections the following composite wiring diagrams detail various configurations in which the air handlers can be used. The power pack contains a power supply, a load switching relay and on some models, a hvac relay.

Posting Komentar

Lebih baru Lebih lama